和我们一起重新思考汽车
今天给大家找来的是全球第一台插电混动车的车主,他今天想跟大家聊的这台车还是整整9年前买的,那时候国产品牌并不受待见、新能源市场还没被资本看好、也没人愿意主动了解新能源车,而他当时经受了周围几乎所有人的异样目光做了这个决定。
那么,9年后,作为国内第一批新能源车车主的他,到底怎么样了呢?
声明:
为保证内容的真实性,以下所有内容为车主亲笔所写
比亚迪F3 DM是我人生中的第一台车,2011年11月购买,裸车价16.98万,补贴8万,相当于8.98万,免费送了个充电桩,由于没有购置税,保险不到1万,落地11万的样子。
肯定有人要问,兄dei你是不是数学不好,9+1不等于10么,怎么落地11万?情况是这样的,当时F3 DM整个中国都没卖,只有深圳销售,而且产量不高,一共也就几千辆,我订单下了以后,等了半年才有车,车到以后,我跟其他两位朋友打飞的深圳,来回机票旅费、吃喝住行、路费油费算上去,差不多一万。
(真 硬核提车
)
对了光买车的时候就麻烦不少,去审车,我没有买车船税,他们就没听说过新能源这个政策,人家都说我偷税漏税,没有车船税不能审车,让我到税务局开免税证明。
结果税务局也没听说过这回事,认为我在胡说
。
光一个新能源车免车船税,我跑了好多部门,每次车辆年审都要和车管部门交涉,最后终于在去年落实了,新能源汽车年审上线再也不用交车船税,也不用去开免税证明了。这一点至少在宁夏境内是因为我多年努力而改变的。因为新能源汽车都是这几年才开始,而且新车是6年免检,所以他们就没有检过这种车。
我也对比过燃油版F3,同时期价格应该是六七万。为何要花更大的价钱买DM呢?说尝鲜也好,装逼也罢;说环保也好,省油也罢,都有一定道理。其实,自己内心很清楚,我对高科技产品有一定的猎奇心理,而且对比亚迪这家公司怀有一定的好感和充分的信任。毕竟在当时,世界上还只有一款插电混动车,就是F3 DM。
可能我的创业经历和比亚迪的经历是一样的,是靠实干谋生存,从来不玩虚;王传福和我一样是农村出身,穷人家的白手起家,我对他也充满敬佩。所以,在无意中知晓这款车后,对创造它的车企、以及车企创始人产生了兴趣,于是研究它、了解它,在得到一种共鸣后,选择支持它、购买它。
如果往大了说,心里还存有一种爱国情怀,买它的一个主要原因就是为了向周边的人证明国产车做得并不差,有时看到小区或者单位停满各国品牌的车,唯独看不到几台国产车,不禁恨从中来,不知有没有人理解这种爱国心切的“奇葩”心理。
但是,既然做了第一个吃螃蟹的人,也得做好被螃蟹“扎嘴”的准备。F3 DM虽然顶着第一台插混车的光环,也避免不了自身存在的不少问题。质量,特别是售后,确实让人不敢恭维,我甚至想爆一句粗口:简直操蛋。为此我打了无数投诉电话,4S看见我就头疼……正所谓,爱之深,责之切,每次和朋友聊车都不免吐槽,就在朋友都以为我成为比亚迪的终生黑时,我又屁颠屁颠去买了唐……
(又买了唐)
这是后话,说回F3 DM,迄今跑了11万公里,其中纯电行驶6万公里左右。目前满电状态下,纯电续航80公里的样子(夏季),甚至比如今的宋DM都跑得多……所以说,比亚迪在电池方面的技术积累还是有目共睹的,9年10余万公里的车,基本没有衰减。
说说F3 DM的油电运作机制,当初是1.0版本,现在已经发展到4.0了。就这台车而言,应该说永远没有纯发动机工作的时候,电池始终在参与动力。而且这块磷酸铁锂电池理论上不存在亏电,因为当电量低于20%时发动机会自己启动。
以速度60码为界,60以下发动机不参与驱动,它只负责发电,而不管电池有电还是亏电,说白了此时其实就是纯电模式,更确切说,是增程模式;只有上了60码,离合器才吸合,发动机的动力带动车轮运转,驱动车辆向前,开启正儿八经的混动模式。
(十年前的液晶显示屏,当时是非常炫呀)
这样带来的一点坏处是,在某些特殊路况下,需要控制油门,尽量让速度保持在60以上或者以下,而不要来回摇摆,否则发动机会频繁启停,实话说,三缸发动机声音有点大,可能会觉得扰人。
在F3 DM的使用过程中,我也整理了一些比较典型和突出的问题,印象最深的是两次换电池的经历:一次是某天在路上走着走着,突然掉电,动力受限,印象中电量从50%直接掉到5%,然后就发动机启动高转速发电,车就走不动了,因为速度不够,发动机不参与驱动,而电力低于临界值又被系统限制了输出,此时车辆只能龟速行驶。后来用绳子拉回来,4S拖走,检测说因为电池的一致性不好,单节电池电压不够,因为F3DM电芯不能单独更换,所以就整体更换了电池包。
(车底电池)
(10年前的车,就有太阳能光板)
厂家最后有个改进方案就是均衡电池,有了第一代的经验,后来的车电池都带均衡功能。比如一个电池包里100节电池,肯定不能完全一致,时间久了有的电池活性不好就电压低,导致影响全局。
均衡就是电脑检测哪一节电压低,会单独补电,使得整个电池电压保持一致,我表述的不专业,大致是这样。有了这个经验,以后的车再也不会掉电,掉电也只有F3 DM的才经历过,这就是F3 DM的不幸,也是F3 DM的功劳。同时,电池改进电芯后可以单独更换,于车企而言更加节约成本。
第二次更夸张,直接失去动力,就是正常行驶的时候突然没了动力,挂挡、踩油门都没反应,电机和发动机都不工作了,彻底失去了动力来源,但是停下来休息了一会,重新启动又可以行驶了。
我以为这是极端低概率事件,哪知道,这种情况出现的频率越来越多,只能让4S检测,但是这个故障是在车辆行驶一段时间后才会出现,所以检测过程十分漫长,我把车放在4S,据4S讲厂家专门派技术人员过来检测。最终结果是,动力电池连同驱动电机电源管理器一并帮我更换了。
现在,这台车到了我老婆手上,依旧在服役,用途主要是市内开接送孩子,这几年也很少出远门,也没有什么大的故障。这车一般人也不认识,因为和F3长得一样,又是蓝牌,所以也没人注意。
朋友打趣说,都什么年代了还不换,不妨开到博物馆算了。我只能笑笑说你们不懂,这台车于我而言是有特殊感情的。
也许正因为这份感情,所以厂家还惦记着我,2017年夏天的时候,比亚迪请我们6位唐车主去广州海边畅聊畅玩;2018年春天又派专门摄影团队给我拍制了视频短片。
这也是我骄傲的地方,十年前做的决定,当时在别人看来就是傻瓜,就算是现在周围好多人还是不认同,但我相信总有一天人们会慢慢被这个品牌的精神感染。
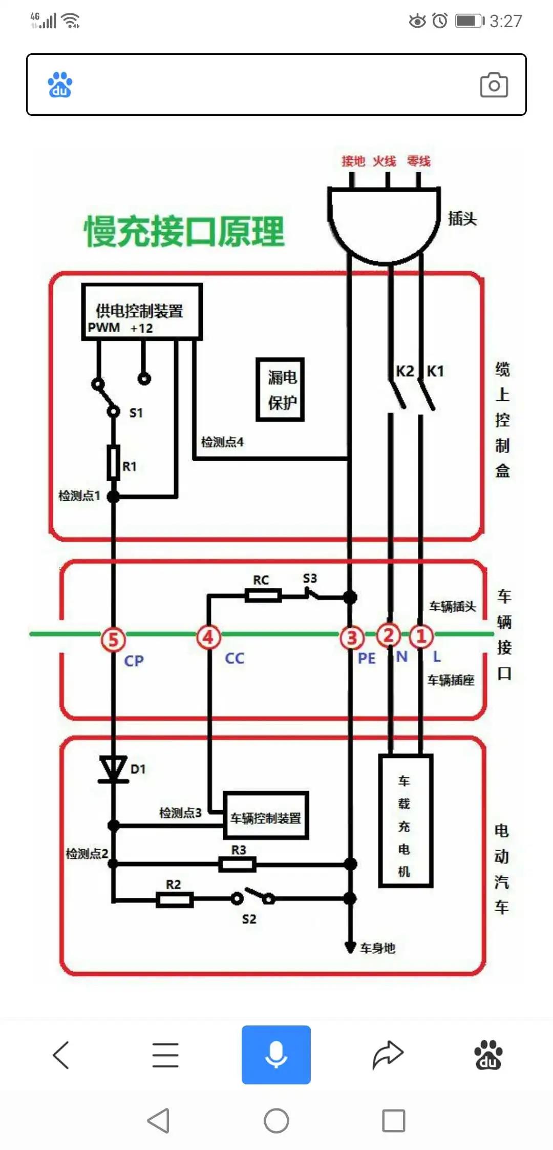
对了,最后说下最新的情况:我把F3DM改装了一个国标充电口,因为原车的不好用。
F3DM那个时侯充电桩接口还没有标准,那个充电口连接点接触面积小,所以时间久了容易氧化。氧化了就接触不良触点发热就无法充电了。
现在都是国标充电口,国标充电口触点接触面积大,解决了发热问题,并且增加了车与桩之间的通信功能,只有充电枪插好才能通电,使得充电更安全,所以我就想着自己动手改一个国标充电接口,这样无论到哪里都可以充电,以前的接口是个三孔插头出去充电很不方便。
说干就干,F3DM原车充电接口接触不良,网上查一下充电桩原理动手改装:
分析了一下,由于原车没有和充电桩的通信信号,只能用简易方法模拟,使得充电桩能供电。网上一百元,买个国标充电接口,经过一番改造,终于完成了,再15元买一个比亚迪标盖上,完美。从此再也不用担心充电线烧了,出门也可以在公共充电桩上充电了
对了,最后说一句:这台车我好几年都没加油了......准确说这台F3DM到现在快十一万公里,除了保养外,自费换过4只轮胎,一个三元催化器,一个方向机管柱。
